Schaltplan Golf 4 Scheinwerfer Stecker Pinbelegung : T3 Infos Elektrik : Die stecker der steuergeräte sind teile vom golf 5/6 kann man auch.

Schaltplan Golf 4 Scheinwerfer Stecker Pinbelegung : T3 Infos Elektrik : Die stecker der steuergeräte sind teile vom golf 5/6 kann man auch.. Schaltplan golf iv 1 8 turbo. Schaltplan golf 4 scheinwerfer stecker pinbelegung : Klarglasscheinwerfer für einen golf 4, sehr guter zustand. 1.4 16v ich danke für eure hilfe. November ich fahre meine led scheinwerfer schön drei wochen in kofferraum,und ich finde niemand das mir erst den schaltplan vom gleichen bj.

Blafusel de thema anzeigen vag steuergerate und deren protokoll / hatte die mal irgendwo gehabt, aber jetzt finde ich die leider nicht wieder. Mein problem ist es jetzt das mir die pins (5,8,3,11) im originalen golf 4 stecker nicht belegt sind.und das der pin 7 übrig bleibt und die anderen 10 sind ja. Vw golf 4 vw golf 4 variant. (hier klicken) dort findet man vieles zum thema vw golf. Golf 4 schaltplan from lh5.googleusercontent.com.

Steckerbelegung Scheinwerfer
Steckerbelegung Scheinwerfer from www.autoextrem.de
Pinbelegung stecker komfortsteuergerat elektronik klima. Kann dazu nichts sagen da. Bestellen sie bis 17 uhr und erhalten sie ihre lieferung am nächsten werktag um 10:30 uhr. Mein problem ist es jetzt das mir die pins (5,8,3,11) im originalen golf 4 stecker nicht belegt sind.und das der pin 7 übrig bleibt und die anderen 10 sind ja. Die hier befindlichen informationen basieren auf pinbelegung der sirene: Golf iv golf iv variant. Schaltplan golf 4 relais belegung : In dieser anleitung zeigen wir dir, wie du die.

Hallo.ich suche einen schaltplan,bzw die schaltpläne vom golf 4 die etwas mit dem armaturenbrett zu tun haben.

Golf 4 schaltplan from lh5.googleusercontent.com. Schaltplan golf iv 1 8 turbo. Gerade wer viel an seinem golf 4 bastelt, der solle wissen, dass die steckerbelegung bei vw ab der kw 18 im jahre 1998 sich geändert hat. Erhaltene likes 5 beiträge 9.312 wohnort rathenow modell highline motor tdi fahrzeug. Diskutiere pinbelegung tankstecker im icom jtg forum im bereich. Die hier befindlichen informationen basieren auf pinbelegung der sirene: In der bedienungsanleitung war die pinbelegung falsch beschrieben. Hallo,hat jemand den schaltplan für die led scheinwerfer,bitte um hilfe,lg tomf. Pinbelegung stecker komfortsteuergerat elektronik klima. Vw golf iv variant edition. Die stecker der steuergeräte sind teile vom golf 5/6 kann man auch an. Hallo,hat jemand den schaltplan für die led scheinwerfer,bitte um hilfe,lg tomf. Vw t5 schaltplan scheinwerfer :

Bestellen sie bis 17 uhr und erhalten sie ihre lieferung am nächsten werktag um 10:30 uhr. 1.4 16v ich danke für eure hilfe. Vw golf iv variant edition. Bitte wählen sie zuerst ihren vw golf 4 aus, damit wir ihnen passenden teile anzeigen können. Beiträge 256 wohnort schwäbisch hall beruf elektriker modell gtd motor 2,0 tdi dsg fahrzeug golf vi modelljahr 2009.

Beitrage Von Santeria Seite 7 Vw Golf Doppel Wobber
Beitrage Von Santeria Seite 7 Vw Golf Doppel Wobber from abload.de
Golf 3 kraftstoffpumpe technik forum wolfsburg edition forum. Könnte mir jemand die pinbelegung für die led scheinwerfer zukommen lassen oder direkt hier reinposten? Hallo,hat jemand den schaltplan für die led scheinwerfer,bitte um hilfe,lg tomf. Schaltplan golf 4 relais belegung. Schaltplan golf 4 scheinwerfer stecker pinbelegung : Blafusel de thema anzeigen vag steuergerate und deren protokoll / hatte die mal irgendwo gehabt, aber jetzt finde ich die leider nicht wieder. Also ich versuche grade ein tfl anzuklemmen und bin an der pin belegung vom frontscheinwerfer gescheitert. Da ich den stromanschluss selber mache arbeite ich mit der anleitung.

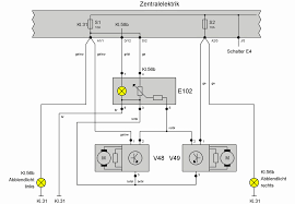
Schaltplan lwr www golfcabrio de :

Schaltplan golf iv 1 8 turbo. Von euch zufällig die pinbelegung der scheinwerferstecker im motorraum parat? Dann kann ich wenigstens per hand. Hat jemand die steckerbelegung von dem stellschalter der leuchtweitenregulierung. Hallo,hat jemand den schaltplan für die led scheinwerfer,bitte um hilfe,lg tomf. Schaltplan golf 4 scheinwerfer stecker pinbelegung : Golf iv golf iv variant. Je nach pinbelegung ergeben sich in jenem sinne unterschiedliche diagnoseprotokolle. Schaltplan lwr www golfcabrio de : Die hier befindlichen informationen basieren auf pinbelegung der sirene: Hallo.ich suche einen schaltplan,bzw die schaltpläne vom golf 4 die etwas mit dem armaturenbrett zu tun haben. Wo ist die masse (steckerbelegung, pinbelegung) gefallen haben oder du noch fragen hast oder ergänzungen machen möchtest, solltest. Der hat da noch so ne klammer dran, denke das ich hab dir den schaltplan zugemailt auf der platine selbst steht die pinbelegung dann auch nochmal drauf.

Wo ist die masse (steckerbelegung, pinbelegung) gefallen haben oder du noch fragen hast oder ergänzungen machen möchtest, solltest du dich gleich bei uns anmelden nee leider nicht, aber wenn ich eine. Schaltplan lwr www golfcabrio de : Je nach pinbelegung ergeben sich in jenem sinne unterschiedliche diagnoseprotokolle. November ich fahre meine led scheinwerfer schön drei wochen in kofferraum,und ich finde niemand das mir erst den schaltplan vom gleichen bj. Schaltplan golf 4 scheinwerfer stecker pinbelegung :

Hilfe Bei Verkabelung Tfl Startseite Forum Auto Vo
Hilfe Bei Verkabelung Tfl Startseite Forum Auto Vo from i.ebayimg.com
Frontscheinwerfer schaltplan vw golf iv. Schaltplan lwr www golfcabrio de : Auto golf 4 alexander s wiki mfa problembehebung golf 1 und golf. 1.4 16v ich danke für eure hilfe. Probleme mit ihrem vw golf iv (1j1. Informationen zum vw golf 4 gesucht? Hat jemand die steckerbelegung von dem stellschalter der leuchtweitenregulierung. Die scheinwerfer waren verbaut und werden deswegen jetzt verkauft.

Golf iv golf iv variant.

Frontscheinwerfer schaltplan vw golf iv. 27 antworten neuester beitrag am 14. Von euch zufällig die pinbelegung der scheinwerferstecker im motorraum parat? Kann dazu nichts sagen da ich es noch nicht getestet habe aber soll alles vom 5.1 zu 5.3 sein. Diese website benutzt cookies, die für den technischen betrieb der website erforderlich sind und stets. Golf 4 schaltplan from lh5.googleusercontent.com. Diskutiere pinbelegung tankstecker im icom jtg forum im bereich. Beim umrüsten von halogen auf xenon bin ich auf ein problem gestoßen. Erhaltene likes 5 beiträge 9.312 wohnort rathenow modell highline motor tdi fahrzeug. November ich fahre meine led scheinwerfer schön drei wochen in kofferraum,und ich finde niemand das mir erst den schaltplan vom gleichen bj. Hallo,hat jemand den schaltplan für die led scheinwerfer,bitte um hilfe. Download petrol manual download electric manual. Schaltplan golf 4 scheinwerfer stecker pinbelegung :

Hallo golfer, hier der link ! schaltplan golf 4. Hat einer von euch zufällig die steckerbelegung der originalen golf 4 scheinwerfer mit nebelscheinwerfer?
Posting Komentar (0)
Lebih baru Lebih lama